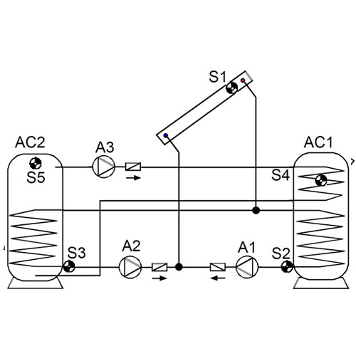
SELECTIVE “GEVOSOL 23” SOLAR COLLECTION
“GEVOSOL 23” solar collectors ensure high a energy saving guaranteed by solar energy. “GEVOSOL 23” collectors may be used to supplement the production of Domestic Hot Water. The central heating power may be integrated by means of technical storage devices and low temperature central heating systems.
SOLAR CONTROL UNIT “ESR 31-R / 1 CIRCUIT”
The “ESR31” is a differential regulator especially designed for easy assembly and use. The wide regulation range permits numerous applications including solar power plants for domestic hot water and swimming pools, water heater loading, operation of fans, burner supply by means of lock circuit-breakers, operation of air adjusters of geothermal power collectors by means of temperature slots and similar.
Discover our wood and pellet boilers












